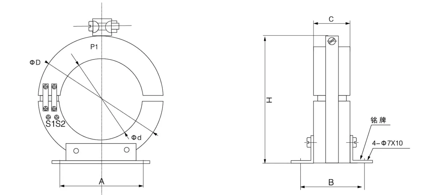
These series of current transformers are used indoor. They are used for three plases overdriven current protection in the electric not-useful-ground neutral system up torated freguency 50Hz or 60Hz and rated voltage 35kV. The transformers are fitting with the relay too.
Being installed, at first, make the product dimidiation. Then make it coalition used bolt. Can be loaded at hot-line condition.
Because the cable protects the primary main insulation, so, the insulation characteristics of secondary winding are only examined. The secondary winding can be able to withstand the power freguency test voltage of 3kV to ground.





GET A QUOTE