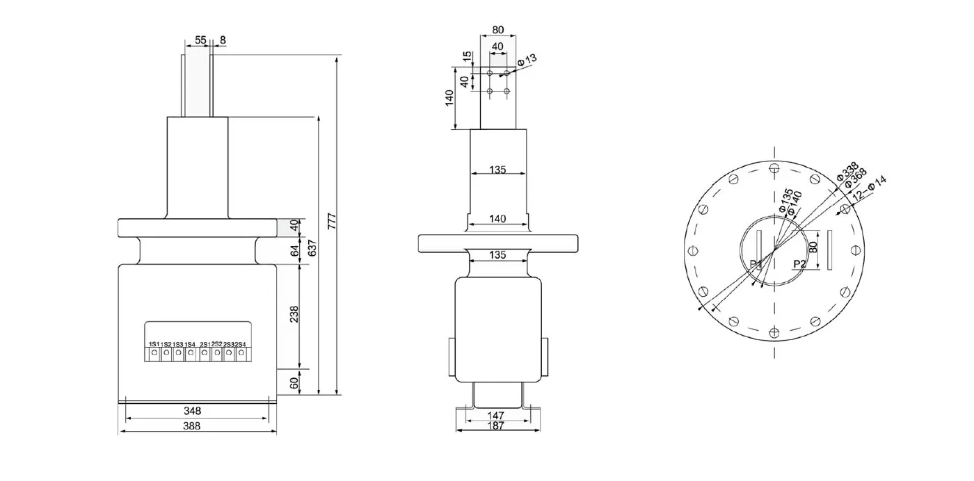
The current transformers are in accordance with GB/T20840.1、2 and EC61869-1、2 standards
Rated insulation level 40.5/95/185kV
Rated secondary current 5A or 1A
Rated frequency 50Hz or 60Hz
Ambient temperature -5℃ ~+40℃




GET A QUOTE