
Table 1: Main parameters of HH15 (OSA) series disconnector fuse group
| Agreed free air heating current Ith (A) | 63 | 125 | 160 | 250 | 400 | 630 | 800 | |
| Rated operating current Ie (A) | 380V/AC-23B | 63 | 125 | 160 | 250 | 400 | 630 | 800 |
| 660V/AC-22B | 63 | 100 | 160 | 250 | 315 | 425 | 500 | |
| Rated limiting short-circuit current (kA r.m.s) | 50 | 50 | 50 | 50 | 50 | 50 | 50 | |
| Mechanical life (times) | 1700 | 1400 | 1400 | 1400 | 800 | 800 | 500 | |
| Electrical life (times) | 300 | 200 | 200 | 200 | 200 | 200 | 100 | |
| Selected fuse | 380V/AC-23B | NT00-63 | NT00-125 | NT00-160 | NT1-250 | NT2-400 | NT3-630 | NT3-800 |
| 660V/AC-22B | NT00-63 | NT00-100 | NT00-160 | NT1-250 | NT2-315 | NT3-425 | NT3-500 | |
| Operating torque (N.m) | 7.5 | 16 | 30 | |||||
| Weight (kg excluding handle) | 1.6 | 1.7 | 4.1 | 4.5 | 4.7 | 14 | 14.5 | |
Table 2: Main parameters of HH15A (QA) series disconnector
| Agreed free air heating current Ith (A) | 125 | 200 | 400 | 630 | 1000 | |
| Rated working current Ie (A) | 380V/AC-23B | 125 | 200 | 400 | 630 | 1000 |
| 660V/AC-22B | 125 | 200 | 400 | 630 | 1000 | |
| 660V/AC-22B | 125 | 160 | 315 | 425 | 630 | |
| Rated short-circuit making capacity (kA r.m.s) | 20 | 20 | 50 | 50 | 50 | |
| Rated short-time withstand current (kA r.m.s) | 4 | 4 | 15 | 15 | 15 | |
| Mechanical life (times) | 1400 | 1400 | 800 | 800 | 500 | |
| Electrical life (times) | 200 | 200 | 200 | 200 | 100 | |
| Operating torque (N.m) | 7.5 | 16 | 30 | |||
| Weight (kg excluding handle) | 1.5 | 1.6 | 4.1 | 4.3 | 11.7 | |
Table 3: Main parameters of HH15P (QP) series disconnectors
| Agreed free air heating current Ith (A) | 250 | 630 | 1000 | 1250 | 1600 | 2500 | 3150 | |
| Rated working current Ie (A) | 380V/AC-23B | 250 | 630 | 1000 | 1250 | 1600 | 2500 | 3150 |
| 660V/AC-22B | 250 | 630 | 1000 | 1250 | 1600 | 2500 | 3150 | |
| 660V/AC-22B | 250 | 630 | 630 | 800 | 800 | / | / | |
| Rated short-circuit making capacity (kA r.m.s) | 39 | 60 | 60 | 85 | 85 | 130 | 130 | |
| Rated short-time withstand current (kA r.m.s) | 8 | 32 | 32 | 50 | 50 | 80 | 80 | |
| Mechanical life (times) | 1400 | 800 | 500 | 500 | 500 | 300 | 300 | |
| Electrical life (times) | 200 | 200 | 100 | 100 | 100 | 100 | 100 | |
| Operating torque (N.m) | 7.5 | 16 | 30 | 70 | ||||
| Weight (kg excluding handle) | 1.9 | 5.0 | 5.4 | 14.0 | 14.5 | 49.0 | 52.5 | |



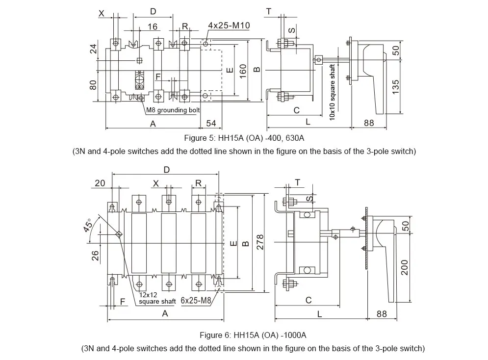
HH15(QSA)-63~800A appearance and installation dimensions
| Product model | Appearance dimensions | Installation dimensions | Terminal dimensions | ||||||||
| A | B | C | D | E | F | L | R | S | T | X | |
| HH15(QSA)-63/2 | 120 | 100 | 168 | 98 | 90 | 6.5 | 238-280 | 12 | 6 | 2 | M5 |
| HH15(QSA)-63/3 | 155 | 100 | 168 | 133 | 90 | 6.5 | 238-280 | 12 | 6 | 2 | M5 |
| HH15(QSA)-125/2 | 120 | 116 | 168 | 98 | 90 | 6.5 | 238-280 | 15 | 7.5 | 3 | M6 |
| HH15(QSA)-125/3 | 155 | 116 | 168 | 133 | 90 | 6.5 | 238-280 | 15 | 7.5 | 3 | M6 |
| HH15(QSA)-160/2 | 187 | 146 | 190 | 100 | 128 | 7.0 | 320-370 | 20 | 10 | 4 | M8 |
| HH15(QSA)-160/3 | 240 | 146 | 190 | 100 | 128 | 7.0 | 320-370 | 20 | 10 | 4 | M8 |
| HH15(QSA)-250/2 | 195 | 160 | 210 | 100 | 128 | 7.0 | 320-370 | 25 | 12.5 | 4 | M10 |
| HH15(QSA)-250/3 | 248 | 160 | 210 | 100 | 128 | 7.0 | 320-370 | 25 | 12.5 | 4 | M10 |
| HH15(QSA)-400/2 | 195 | 160 | 210 | 100 | 128 | 7.0 | 320-370 | 25 | 12.5 | 6 | M10 |
| HH15(QSA)-400/3 | 248 | 160 | 210 | 100 | 128 | 7.0 | 320-370 | 25 | 12.5 | 96 | M10 |
| HH15(QSA)-630/2 | 256 | 270 | 253 | 226 | 214 | 9.0 | 335-380 | 40 | 20 | 6 | M12 |
| HH15(QSA)-630/3 | 344 | 270 | 253 | 314 | 214 | 9.0 | 335-380 | 40 | 20 | 6 | M12 |
| HH15(QSA)-800/2 | 256 | 350 | 253 | 226 | 214 | 9.0 | 335-380 | 50 | 20/40 | 6 | 2-M12 |
| HH15(QSA)-800/3 | 344 | 350 | 253 | 314 | 214 | 9.0 | 335-380 | 50 | 20/40 | 6 | 2-M12 |


Table 5 Appearance and installation dimensions of HH15A (QA) -125~1000A
| Product model | Appearance dimensions | Installation dimensions | Terminal dimensions | ||||||||
| A | B | C | D | E | F | L | R | S | T | X | |
| HH15A(QA)-125/2 | 120 | 116 | 130 | 98 | 90 | 6.5 | 238-280 | 15 | 7.5 | 3 | M6 |
| HH15A(QA)-125/3 | 155 | 116 | 130 | 133 | 90 | 6.5 | 238-280 | 15 | 7.5 | 3 | M6 |
| HH15A(QA)-200/2 | 120 | 128 | 130 | 98 | 90 | 6.5 | 238-280 | 20 | 10 | 3 | M8 |
| HH15A(QA)-200/3 | 155 | 128 | 130 | 133 | 90 | 6.5 | 238-280 | 20 | 10 | 3 | M8 |
| HH15A(QA)-400/2 | 187 | 160 | 152 | 100 | 128 | 7.0 | 320-370 | 25 | 12.5 | 4 | M10 |
| HH15A(QA)-400/3 | 240 | 160 | 152 | 100 | 128 | 7.0 | 320-370 | 25 | 12.5 | 4 | M10 |
| HH15A(QA)-630/2 | 187 | 170 | 152 | 100 | 128 | 7.0 | 320-370 | 30 | 15 | 6 | M10 |
| HH15A(OA)-630/3 | 240 | 170 | 152 | 100 | 128 | 7.0 | 320-370 | 30 | 15 | 6 | M10 |
| HH15A(QA)-1000/2 | 256 | 270 | 190 | 226 | 214 | 9.0 | 335-380 | 40 | 20 | 6 | M12 |
| HH15A(QA)-1000/3 | 344 | 270 | 190 | 314 | 214 | 9.0 | 335-380 | 40 | 20 | 6 | M12 |



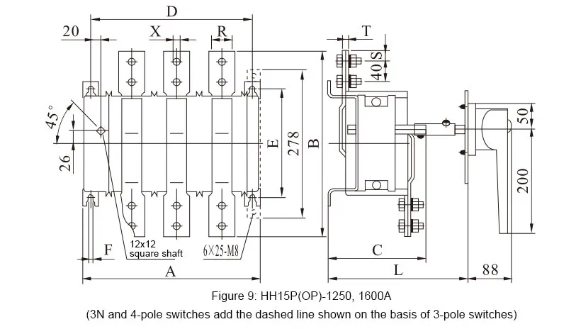
Table 6: HH15(QP)-250~1600A appearance and installation dimensions
| Product model | Appearance dimensions | Installation dimensions | Terminal dimensions | ||||||||
| A | B | C | D | E | F | L | R | S | T | X | |
| HH15P(QP)-250/2 | 120 | 142 | 130 | 98 | 90 | 6.5 | 238-280 | 25 | 12.5 | 4 | M10 |
| HH15P(QP)-250/3 | 155 | 142 | 130 | 133 | 90 | 6.5 | 238-280 | 25 | 12.5 | 4 | M10 |
| HH15P(QP)-630/2 | 187 | 170 | 152 | 100 | 128 | 7.0 | 320-370 | 30 | 15 | 5 | M10 |
| HH15P(OP)-630/3 | 240 | 170 | 152 | 100 | 128 | 7.0 | 320-370 | 30 | 15 | 5 | M10 |
| HH15P(QP)-1000/2 | 187 | 220 | 152 | 100 | 128 | 7.0 | 320-370 | 40 | 20 | 6 | M12 |
| HH15P(OP)-1000/3 | 240 | 220 | 152 | 100 | 128 | 7.0 | 320-370 | 40 | 20 | 6 | M12 |
| HH15P(OP)-1250/2 | 256 | 350 | 190 | 226 | 214 | 9.0 | 335-380 | 40 | 20 | 10 | 2-M12 |
| HH15P(QP)-1250/3 | 344 | 350 | 190 | 314 | 214 | 9.0 | 335-380 | 40 | 20 | 10 | 2-M12 |
| HH1SP(QP)-1600/2 | 256 | 350 | 190 | 226 | 214 | 9.0 | 335-380 | 50 | 20 | 10 | 2-M12 |
| HH1SP(QP)-1600/3 | 344 | 350 | 190 | 314 | 214 | 9.0 | 335-380 | 50 | 20 | 10 | 2-M12 |
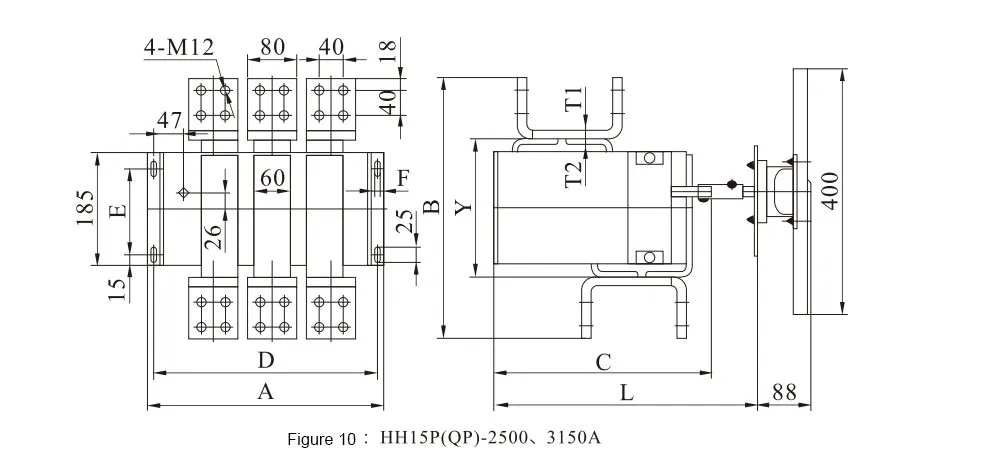
4. HH15P(QP)-2500, 3150A appearance and installation dimensions (see Figure 10, Table 7)

Table 7: HH15P(QP)-2500, 3150A appearance and installation dimensions
| Product model | Appearance dimensions | Installation dimensions | Terminal dimensions | |||||||
| A | B | C | D | E | F | L | Y | T1 | T2 | |
| HH1SP(QP)-2500/3 | 390 | 416 | 360 | 368 | 142 | 9 | 505-550 | 226 | 12 | 8 |
| HH15P(QP)-3150/3 | 390 | 424 | 360 | 368 | 142 | 9 | 505-550 | 230 | 14 | 10 |
5. The double-throw transfer switch is composed of two corresponding single-throw switches assembled side by side on the bottom plate. Its appearance and installation dimensions (see Table 8 and Figure 11)
Table 8: Appearance and installation dimensions of double-throw transfer switch
| Product model | Appearance dimensions | Installation dimensions | |||||
| A | B | C | D | E | F | L | |
| OSS-63.125;QAS-125.200;QPS-250 | 430 | 170 | 192 | 385 | 118 | 9 | 220-280 |
| OSS-160.250.400;QAS-400.630;0PS-630.1000 | 630 | 190 | 242 | 588 | 128 | 9 | 300-380 |
| OSS-630.800;0AS-1000:0PS-1250~3150 | 950 | 263 | 254 | 908 | 180 | 9.0 | 400-480 |

6. Panel opening dimensions (see Figure 12)

GET A QUOTE