
3.1 The technical data of the main circuit are as follows
| Rated working voltage (V) | Rated working current (A) | Rated short-circuit current | Mechanical life (times) | Matched fuse size | |
| AC effective value (kA) | COSΦ | ||||
| 380 | 32 | 50 | 0.25 | 3000 | 14x51 |
| 63 | 22x58 | ||||
3.2 The auxiliary contacts of the isolator are one or two groups of normally open contacts. The main technical data are as follows:
Rated voltage: AC 380V;
Rated working current: 6A;
Rated control capacity: 300VA;
Rated connection and disconnection capacity: 380V, use category AC-11;
Rated fuse short-circuit current: 1000A.
3.3 Main technical data of the micro switch (KWX type) of the fuse signal device
Rated voltage: AC 220V;
Rated working current: 1A.

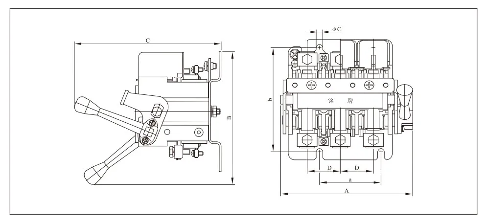
| Model | Dimensions (mm) | Installation dimensions (mm) | |||||
| A | B | C | D1 | a | b | Φc | |
| HG1-32/30 | 120 | 142 | 132 | 26 | 50 | 115 | Φ7 |
| HG1-63/30 | 140 | 135 | 155 | 35 | 65 | 110 | Φ7 |
GET A QUOTE