
| ANSI class | 57-1S 57-1L |
57-2S 57-2L |
57-3S 57-3L |
57-4S 57-4L |
57-5S 57-5L |
|
| Fig.No | 3 | 4 | 5 | 1 | 2 | |
| Dimensions of the pin mm | M16 | M20(M16) | M20 | M20 | M20 | |
| Creepage distance mm | 356h | 559 | 737 | 1015 | 1145 | |
| Dry arcing distance mm | 165 | 241 | 311 | 368 | 438 | |
| Cantiever strength KN | 12.5 | 12.5 | 12.5 | 12.5 | 12.5 | |
| Low frequency | Dry fashover Kv | 80 | 110 | 12.5 | 150 | 175 |
| Flashover voltage | Wet flashover Kv | 60 | 85 | 100 | 125 | 150 |
| Critical impulsle | positive Kv | 130 | 180 | 210 | 255 | 29 |
| Flashover voltage | Negative Kv | 155 | 205 | 260 | 340 | 380 |
| Radio infiuence | Test voltage to ground Kv | 15 | 22 | 30 | 44 | 44 |
| Votage data | At 1000KHZ MaX.RIV uV | 100 | 100 | 200 | 200 | 200 |
| Weight kg | 5 | 9.8 | 12 | 16 | 18 | |

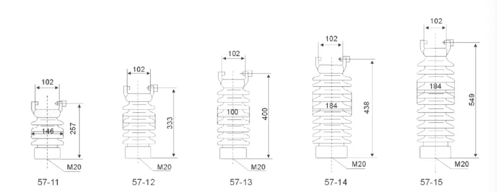
| ANSI class | 57-11 | 57-12 | 57-13 | 57-14 | 57-15 | |
| Creepage distance(mm) | 356 | 559 | 737 | 1015 | 1145 | |
| Dry arcing distance(mm) | 165 | 241 | 311 | 368 | 438 | |
| Cantiever strength(kN) | 12.5 | 12.5 | 12.5 | 12.5 | 12.5 | |
| Low frequency | Dry flashover(kV) | 80 | 110 | 125 | 150 | 175 |
| Flashover voltage | Wet flashover(kV) | 60 | 85 | 100 | 125 | 150 |
| Critical impulsle | positive(kV) | 130 | 180 | 210 | 255 | 290 |
| Flashover voltage | Negative (kV) | 155 | 205 | 260 | 340 | 380 |
| Radio infiuence | Test voltage to ground (kV) | 15 | 22 | 30 | 44 | 44 |
| Votage data | At 1000K Hz Max.RIV(uV) | 100 | 100 | 200 | 200 | 200 |
| Weight kg | 6.8 | 10 | 11.8 | 15.9 | 18.6 | |

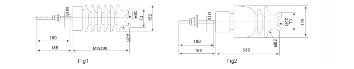
| Type | ANSI57-2L-1 | PIN POST | |
| Creepage distance(mm) | 599 | 520 | |
| Protected creepage distance(mm) | 200 | 260 | |
| Dry arcing cistance(mm) | 240 | 260 | |
| Cantiever strength(kN) | 12.5 | 12.5 | |
| Power frequency | Dry(kV) | 90 | 90 |
| Withstand voltage | Wet(kV) | 65 | 65 |
| Impulse withstand voltage (kv) | 150 | 150 | |
| Radio influence | Teat voltage to ground (kv) | 22 | 22 |
| Voltage data | Max.Riv at 1000kh | 100 | 100 |
| Net weight,each,approx.,kg | 9.2 | 10 | |
GET A QUOTE