
3.1. Rated voltage is AC 380V, DC 220V.
3.2. Rated current is 100, 200, 400, 600, 1000, 1500A.
3.3. Main technical performance parameters (see Table 1)
Table 1
| Rated current (A) | 100 | 200 | 400 | 600 | 1000 | 1500 | |
| Switching capacity (A) (5 operation cycles) |
AC 380V、cosΦ=0.72~0.8 | 100 | 200 | 400 | 600 | 1000 | 1500 |
| DC T=0.01~0.011S 220V | 100 | 200 | 400 | 600 | 1000 | 1500 | |
| Mechanical life (times) | 10000 | 10000 | 10000 | 5000 | 5000 | 5000 | |
| Electrical life (times) | 1000 | 1000 | 1000 | 500 | 500 | 500 | |
| Is short-time withstand current (kA) | 6 | 10 | 20 | 25 | 30 | 40 | |
| Dynamic stable current peak value (kA) | Lever operated | 20 | 30 | 40 | 50 | 60 | 80 |
| Handle operated | 15 | 20 | 30 | 40 | 50 | - | |
| Operating force (N) | ≤300 | ≤300 | ≤300 | ≤300 | ≤400 | ≤400 | |
Note: The breaking capacity is the technical index of the knife switch with arc extinguishing chamber.
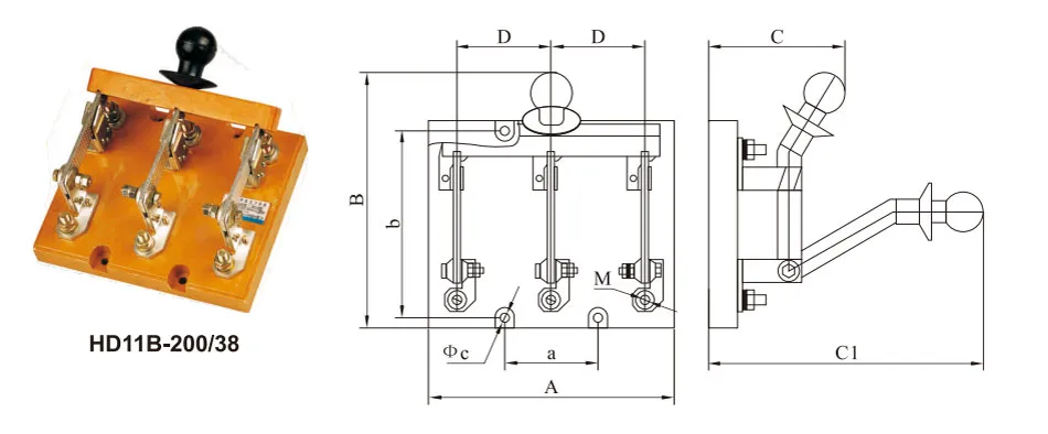
HD11 series single throw switch (front wiring) appearance and installation dimensions

| Model | External dimensions | Installation dimensions | ||||||||
| A | B | C | C1 | D | a | b | φc | M | ||
| HD11-100 | 2 poles | 90 | 200 | 98 | 195 | 50 | 50 | 140 | Φ7 | M8 |
| 3 poles | 140 | 200 | 98 | 195 | 50 | 50 | 140 | Φ4 | M8 | |
| 4 poles | 190 | 200 | 98 | 195 | 50 | 100 | 140 | Φ7 | M8 | |
| HD11-200 | 2 poles | 170 | 205 | 110 | 220 | 70 | 120 | 140 | Φ7 | M8 |
| 3 poles | 190 | 205 | 110 | 220 | 70 | 70 | 140 | Φ7 | M8 | |
| 4 poles | 260 | 230 | 118 | 230 | 70 | 140 | 140 | Φ7 | M8 | |
| HD11-400 | 2 poles | 220 | 264 | 132 | 270 | 80 | 160 | 190 | Φ7 | M12 |
| 3 poles | 212 | 264 | 123 | 260 | 80 | 80 | 189 | Φ7 | M12 | |
| 4 poles | 300 | 270 | 125 | 265 | 80 | 160 | 188 | Φ7 | M12 | |
| HD11-600 | 2 poles | 240 | 325 | 112 | 305 | 100 | 200 | 140 | Φ9 | M16 |
| 3 poles | 270 | 340 | 115 | 295 | 100 | 100 | 140 | Φ9 | M16 | |
| 4 poles | 335 | 340 | 115 | 295 | 100 | 180 | 140 | Φ9 | M16 | |
| HD11-1000 | 2 poles | 270 | 382 | 118 | 355 | 120 | 240 | 140 | Φ9 | 2-M12 |
| 3 poles | 325 | 382 | 145 | 350 | 115 | 115 | 140 | Φ9 | 2-M12 | |
| 4 poles | 440 | 382 | 145 | 350 | 115 | 230 | 140 | Φ9 | 2-M12 | |
| HD11-1500 | 2 poles | 300 | 410 | 145 | 366 | 130 | 260 | 140 | Φ11 | 4-M12 |
| 3 poles | 360 | 400 | 145 | 366 | 130 | 130 | 140 | Φ11 | 4-M12 | |
| 4 poles | 505 | 400 | 145 | 364 | 130 | 260 | 140 | Φ11 | 4-M12 | |
| HD11-2000/3P | 480 | 410 | 180 | 180 | 140 | |||||
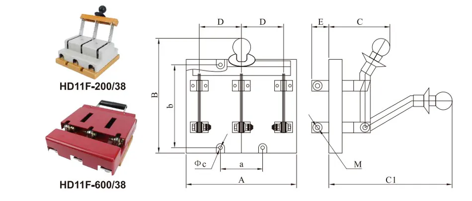
HD11 series single throw switch (rear panel wiring) appearance and installation dimensions

| Model | External dimensions | Installation dimensions | |||||||||
| A | B | C | C1 | D | E | a | b | φc | M | ||
| HD11-100 | 2 poles | 90 | 200 | 98 | 195 | 50 | 32 | 50 | 140 | Φ7 | M8 |
| 3 poles | 140 | 200 | 98 | 195 | 50 | 32 | 50 | 140 | Φ4 | M8 | |
| 4 poles | 190 | 200 | 98 | 195 | 50 | 32 | 100 | 140 | Φ7 | M8 | |
| HD11-200 | 2 poles | 170 | 205 | 110 | 220 | 70 | 32 | 120 | 140 | Φ7 | M8 |
| 3 poles | 190 | 205 | 110 | 220 | 70 | 32 | 70 | 140 | Φ7 | M8 | |
| 4 poles | 260 | 230 | 118 | 238 | 70 | 32 | 140 | 140 | Φ7 | M8 | |
| HD11-400 | 2 poles | 220 | 264 | 132 | 270 | 80 | 43 | 160 | 190 | Φ7 | M12 |
| 3 poles | 220 | 264 | 132 | 270 | 80 | 43 | 80 | 190 | Φ7 | M12 | |
| 4 poles | 300 | 272 | 130 | 265 | 80 | 43 | 160 | 190 | Φ7 | M12 | |
| HD11-600 | 2 poles | 240 | 325 | 112 | 305 | 100 | 55 | 200 | 140 | Φ9 | M16 |
| 3 poles | 270 | 325 | 112 | 305 | 100 | 55 | 100 | 140 | Φ9 | M16 | |
| 4 poles | 370 | 325 | 112 | 305 | 100 | 55 | 200 | 140 | Φ9 | M16 | |
| HD11-1000 | 2 poles | 270 | 382 | 118 | 355 | 120 | 70 | 240 | 140 | Φ9 | 2-M12 |
| 3 poles | 325 | 382 | 118 | 355 | 120 | 70 | 120 | 140 | Φ9 | 2-M12 | |
| 4 poles | 450 | 382 | 118 | 355 | 120 | 70 | 240 | 140 | Φ9 | 2-M12 | |
| HD11-1500 | 2 poles | 300 | 410 | 128 | 364 | 130 | 85 | 260 | 140 | Φ11 | 4-M12 |
| 3 poles | 360 | 410 | 128 | 364 | 130 | 85 | 130 | 140 | Φ11 | 4-M12 | |
| 4 poles | 505 | 410 | 128 | 364 | 130 | 85 | 260 | 140 | Φ11 | 4-M12 | |
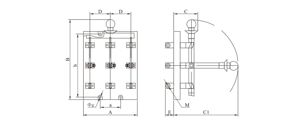
HS11 series double throw switch (front wiring) appearance and installation dimensions

| Model | External dimensions | Installation dimensions | ||||||||
| A | B | C | C1 | D | a | b | φc | M | ||
| HS11-100 | 2 poles | 80 | 200 | 63 | 170 | 41 | 140 | 110 | Φ7 | M8 |
| 3 poles | 140 | 225 | 63 | 190 | 50 | 50 | 110 | Φ7 | M8 | |
| 4 poles | 170 | 225 | 63 | 190 | 45 | 90 | 115 | Φ7 | M8 | |
| HS11-200 | 2 poles | 160 | 285 | 90 | 225 | 70 | 140 | 220 | Φ7 | M8 |
| 3 poles | 190 | 280 | 87 | 220 | 70 | 70 | 220 | Φ7 | M8 | |
| 4 poles | 260 | 300 | 80 | 245 | 70 | 140 | 200 | Φ7 | M8 | |
| HS11-400 | 2 poles | 190 | 365 | 110 | 290 | 80 | 160 | 260 | Φ7 | M12 |
| 3 poles | 215 | 365 | 110 | 290 | 80 | 80 | 280 | Φ7 | M12 | |
| 4 poles | 300 | 375 | 85 | 290 | 80 | 160 | 280 | Φ7 | M12 | |
| HS11-600 | 2 poles | 240 | 405 | 110 | 300 | 100 | 200 | 220 | Φ9 | M16 |
| 3 poles | 270 | 420 | 90 | 300 | 100 | 100 | 210 | Φ9 | M16 | |
| 4 poles | 345 | 420 | 90 | 300 | 90 | 180 | 210 | Φ9 | M16 | |
| HS11-1000 | 2 poles | 280 | 510 | 118 | 350 | 120 | 240 | 220 | Φ9 | 2-M12 |
| 3 poles | 325 | 450 | 112 | 350 | 115 | 115 | 220 | Φ9 | 2-M12 | |
| 4 poles | 440 | 450 | 112 | 350 | 115 | 230 | 220 | Φ9 | 2-M12 | |
| HS11-1500 | 2 poles | 31 | 580 | 128 | 360 | 130 | 260 | 220 | Φ11 | 4-M12 |
| 3 poles | 370 | 495 | 130 | 360 | 130 | 130 | 220 | Φ11 | 4-M12 | |
| 4 poles | 505 | 495 | 130 | 360 | 130 | 260 | 220 | Φ11 | 4-M12 | |
HS11 series double throw switch (rear panel wiring) appearance and installation dimensions

| Model | External dimensions | Installation dimensions | |||||||||
| A | B | C | C1 | D | E | a | b | φc | M | ||
| HS11-100 | 2 poles | 160 | 285 | 90 | 225 | 70 | 32 | 140 | 220 | Φ7 | M8 |
| 3 poles | 190 | 285 | 90 | 225 | 70 | 32 | 70 | 220 | Φ7 | M8 | |
| 4 poles | 260 | 305 | 80 | 245 | 70 | 32 | 140 | 220 | Φ7 | M8 | |
| HS11-200 | 2 poles | 160 | 285 | 90 | 225 | 70 | 32 | 140 | 220 | Φ7 | M8 |
| 3 poles | 190 | 285 | 90 | 225 | 70 | 32 | 70 | 220 | Φ7 | M8 | |
| 4 poles | 260 | 305 | 80 | 245 | 70 | 32 | 140 | 220 | Φ7 | M8 | |
| HS11-400 | 2 poles | 190 | 365 | 110 | 290 | 80 | 43 | 160 | 260 | Φ7 | M12 |
| 3 poles | 220 | 365 | 110 | 290 | 80 | 43 | 80 | 260 | Φ7 | M12 | |
| 4 poles | 300 | 375 | 85 | 290 | 80 | 43 | 160 | 260 | Φ7 | M12 | |
| HS11-600 | 2 poles | 240 | 405 | 110 | 300 | 100 | 55 | 200 | 220 | Φ9 | M16 |
| 3 poles | 270 | 405 | 88 | 300 | 100 | 55 | 100 | 220 | Φ9 | M16 | |
| 4 poles | 370 | 405 | 88 | 300 | 100 | 55 | 200 | 220 | Φ9 | M16 | |
| HS11-1000 | 2 poles | 280 | 510 | 118 | 350 | 120 | 70 | 240 | 220 | Φ9 | 2-M12 |
| 3 poles | 325 | 510 | 118 | 350 | 120 | 70 | 120 | 220 | Φ9 | 2-M12 | |
| 4 poles | 450 | 510 | 118 | 350 | 120 | 70 | 240 | 220 | Φ9 | 2-M12 | |
| HS11-1500 | 2 poles | 310 | 580 | 128 | 360 | 130 | 85 | 260 | 260 | Φ11 | 4-M12 |
| 3 poles | 360 | 580 | 128 | 360 | 130 | 85 | 130 | 260 | Φ11 | 4-M12 | |
| 4 poles | 505 | 495 | 128 | 360 | 130 | 85 | 260 | 260 | Φ11 | 4-M12 | |
| HS11B-4000/38B | 600 | 480 | 130 | 370 | 200 | 110 | 200 | 260 | Φ11 | 4-M12 | |
HD12 series single throw switch (rear panel wiring) appearance and installation dimensions

| Model | External dimensions | Installation dimensions | ||||||||||||
| A | B | C | C1 | D | E | F | a | b | φc | H | K | M | ||
| HD12-100 | 2 poles | 200 | 190 | 80 | 160 | 80 | 78 | 350 | 160 | 160 | Φ7 | 33 | 82 | M8 |
| 3 poles | 280 | 190 | 80 | 160 | 80 | 78 | 350 | 80 | 160 | Φ7 | 33 | 82 | M8 | |
| 4 poles | 360 | 190 | 80 | 160 | 80 | 78 | 350 | 160 | 160 | Φ7 | 33 | 82 | M8 | |
| HD12-200 | 2 poles | 200 | 190 | 80 | 160 | 80 | 78 | 350 | 160 | 160 | Φ7 | 33 | 82 | M8 |
| 3 poles | 280 | 190 | 80 | 160 | 80 | 78 | 350 | 80 | 160 | Φ7 | 33 | 82 | M8 | |
| 4 poles | 360 | 190 | 80 | 160 | 80 | 78 | 350 | 160 | 160 | Φ7 | 33 | 82 | M8 | |
| HD12-400 | 2 poles | 220 | 205 | 92 | 180 | 90 | 88 | 350 | 180 | 160 | Φ7 | 30 | 88 | M12 |
| 3 poles | 310 | 205 | 92 | 180 | 90 | 88 | 350 | 90 | 160 | Φ7 | 30 | 88 | M12 | |
| 4 poles | 400 | 205 | 92 | 180 | 90 | 88 | 350 | 180 | 160 | Φ7 | 30 | 88 | M12 | |
| HD12-600 | 2 poles | 250 | 300 | 100 | 188 | 100 | 94 | 350 | 200 | 160 | Φ9 | 30 | 82 | M16 |
| 3 poles | 330 | 300 | 100 | 188 | 100 | 94 | 350 | 100 | 160 | Φ9 | 30 | 82 | M16 | |
| 4 poles | 430 | 300 | 100 | 188 | 100 | 94 | 350 | 200 | 160 | Φ9 | 30 | 82 | M16 | |
| HD12-1000 | 2 poles | 290 | 315 | 116 | 226 | 120 | 105 | 350 | 240 | 160 | Φ9 | 28 | 78 | 2-M12 |
| 3 poles | 400 | 315 | 116 | 226 | 120 | 105 | 350 | 120 | 160 | Φ9 | 28 | 78 | 2-M12 | |
| 4 poles | 520 | 315 | 116 | 226 | 120 | 105 | 350 | 240 | 160 | Φ9 | 28 | 78 | 2-M12 | |
| HD12-1500 | 2 poles | 310 | 355 | 125 | 238 | 130 | 114 | 350 | 260 | 160 | Φ11 | 28 | 78 | 4-M12 |
| 3 poles | 440 | 355 | 125 | 238 | 130 | 114 | 350 | 130 | 160 | Φ11 | 28 | 78 | 4-M12 | |
| 4 poles | 570 | 355 | 125 | 238 | 130 | 114 | 350 | 260 | 160 | Φ11 | 28 | 78 | 4-M12 | |
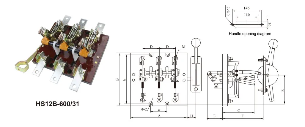
HS12 series double throw switch appearance and installation dimensions

| Model | External dimensions | Installation dimensions | |||||||||||
| A | B | C | D | E | F | a | b | φc | H | K | M | ||
| HS12-100 | 2 poles | 200 | 270 | 155 | 80 | 76 | 350 | 160 | 240 | Φ7 | 35 | 158 | M8 |
| 3 poles | 280 | 270 | 155 | 80 | 76 | 350 | 80 | 240 | Φ7 | 35 | 158 | M8 | |
| 4 poles | 360 | 270 | 155 | 80 | 76 | 350 | 160 | 240 | Φ7 | 35 | 158 | M8 | |
| HS12-200 | 2 poles | 200 | 270 | 155 | 80 | 76 | 350 | 160 | 240 | Φ7 | 35 | 158 | M8 |
| 3 poles | 280 | 270 | 155 | 80 | 76 | 350 | 80 | 240 | Φ7 | 35 | 158 | M8 | |
| 4 poles | 360 | 270 | 155 | 80 | 76 | 350 | 160 | 240 | Φ7 | 35 | 158 | M8 | |
| HS12-400 | 2 poles | 220 | 300 | 184 | 90 | 88 | 350 | 180 | 240 | Φ7 | 30 | 172 | M12 |
| 3 poles | 310 | 300 | 184 | 90 | 88 | 350 | 90 | 240 | Φ7 | 30 | 172 | M12 | |
| 4 poles | 400 | 300 | 184 | 90 | 88 | 350 | 180 | 240 | Φ7 | 30 | 172 | M12 | |
| HS12-600 | 2 poles | 250 | 400 | 190 | 100 | 95 | 350 | 200 | 240 | Φ9 | 30 | 170 | M16 |
| 3 poles | 330 | 400 | 190 | 100 | 95 | 350 | 100 | 240 | Φ9 | 30 | 170 | M16 | |
| 4 poles | 430 | 400 | 190 | 100 | 95 | 350 | 200 | 240 | Φ9 | 30 | 170 | M16 | |
| HS12-1000 | 2 poles | 290 | 435 | 220 | 120 | 105 | 350 | 240 | 240 | Φ9 | 28 | 178 | 2-M12 |
| 3 poles | 400 | 435 | 220 | 120 | 105 | 350 | 120 | 240 | Φ9 | 28 | 178 | 2-M12 | |
| 4 poles | 520 | 435 | 220 | 120 | 105 | 350 | 240 | 240 | Φ9 | 28 | 178 | 2-M12 | |
| HS12-1500 | 2 poles | 310 | 480 | 242 | 130 | 120 | 350 | 260 | 260 | Φ11 | 28 | 190 | 4-M12 |
| 3 poles | 440 | 480 | 242 | 130 | 120 | 350 | 130 | 260 | Φ11 | 28 | 190 | 4-M12 | |
| 4 poles | 570 | 480 | 242 | 130 | 120 | 350 | 260 | 260 | Φ11 | 28 | 190 | 4-M12 | |
HD13 series single-throw switch appearance and installation dimensions

| Model | External dimensions | Installation dimensions | ||||||||||
| A | B | C | C1 | D | F | a | b | φc | K | M | ||
| HD13-100 | 2 poles | 190 | 190 | 80 | 160 | 80 | 250 | 160 | 160 | Φ7 | 82 | M8 |
| 3 poles | 210 | 190 | 80 | 160 | 80 | 250 | 80 | 160 | Φ7 | 82 | M8 | |
| 4 poles | 290 | 190 | 80 | 160 | 80 | 250 | 160 | 160 | Φ7 | 82 | M8 | |
| HD13-200 | 2 poles | 190 | 190 | 80 | 160 | 80 | 250 | 160 | 160 | Φ7 | 82 | M8 |
| 3 poles | 210 | 190 | 80 | 160 | 80 | 250 | 80 | 160 | Φ7 | 82 | M8 | |
| 4 poles | 290 | 190 | 80 | 160 | 80 | 250 | 160 | 160 | Φ7 | 82 | M8 | |
| HD13-400 | 2 poles | 220 | 205 | 92 | 180 | 90 | 250 | 180 | 160 | Φ7 | 88 | M12 |
| 3 poles | 240 | 205 | 92 | 180 | 90 | 250 | 90 | 160 | Φ7 | 88 | M12 | |
| 4 poles | 330 | 205 | 92 | 180 | 90 | 250 | 180 | 160 | Φ7 | 88 | M12 | |
| HD13-600 | 2 poles | 240 | 300 | 100 | 188 | 100 | 250 | 200 | 160 | Φ9 | 82 | M16 |
| 3 poles | 270 | 300 | 100 | 188 | 100 | 250 | 100 | 160 | Φ9 | 82 | M16 | |
| 4 poles | 370 | 300 | 100 | 188 | 100 | 250 | 200 | 160 | Φ9 | 82 | M16 | |
| HD13-1000 | 2 poles | 280 | 315 | 116 | 226 | 120 | 250 | 240 | 160 | Φ9 | 78 | 2-M12 |
| 3 poles | 325 | 315 | 116 | 226 | 120 | 250 | 120 | 160 | Φ9 | 78 | 2-M12 | |
| 4 poles | 450 | 315 | 116 | 226 | 120 | 250 | 240 | 160 | Φ9 | 78 | 2-M12 | |
| HD13-1500 | 2 poles | 310 | 355 | 125 | 238 | 130 | 250 | 260 | 160 | Φ11 | 78 | 4-M12 |
| 3 poles | 360 | 355 | 125 | 238 | 130 | 250 | 130 | 160 | Φ11 | 78 | 4-M12 | |
| 4 poles | 490 | 355 | 125 | 238 | 130 | 250 | 260 | 160 | Φ11 | 78 | 4-M12 | |
HS13 series double throw switch appearance and installation dimensions

| Model | External dimensions | Installation dimensions | ||||||||||
| A | B | C | D | E | F | a | b | φc | k | M | ||
| HS13-100 | 2 poles | 190 | 270 | 155 | 80 | 35 | 250 | 160 | 240 | Φ7 | 158 | M8 |
| 3 poles | 210 | 270 | 155 | 80 | 35 | 250 | 80 | 240 | Φ7 | 158 | M8 | |
| 4 poles | 290 | 270 | 155 | 80 | 35 | 250 | 160 | 240 | Φ7 | 158 | M8 | |
| HS13-200 | 2 poles | 190 | 270 | 155 | 80 | 35 | 250 | 160 | 240 | Φ7 | 158 | M8 |
| 3 poles | 210 | 270 | 155 | 80 | 35 | 250 | 80 | 240 | Φ7 | 158 | M8 | |
| 4 poles | 290 | 270 | 155 | 80 | 35 | 250 | 160 | 240 | Φ7 | 158 | M8 | |
| HS13-400 | 2 poles | 220 | 300 | 184 | 90 | 45 | 250 | 180 | 240 | Φ7 | 172 | M12 |
| 3 poles | 240 | 300 | 184 | 90 | 45 | 250 | 90 | 240 | Φ7 | 172 | M12 | |
| 4 poles | 330 | 300 | 184 | 90 | 45 | 250 | 180 | 240 | Φ7 | 172 | M12 | |
| HS13-600 | 2 poles | 240 | 400 | 190 | 100 | 54 | 250 | 200 | 240 | Φ9 | 170 | M16 |
| 3 poles | 270 | 400 | 190 | 100 | 54 | 250 | 100 | 240 | Φ9 | 170 | M16 | |
| 4 poles | 370 | 400 | 190 | 100 | 54 | 250 | 200 | 240 | Φ9 | 170 | M16 | |
| HS13-1000 | 2 poles | 280 | 435 | 220 | 120 | 66 | 250 | 240 | 240 | Φ9 | 178 | 2-M12 |
| 3 poles | 330 | 435 | 220 | 120 | 62 | 250 | 120 | 240 | Φ9 | 178 | 2-M12 | |
| 4 poles | 450 | 435 | 220 | 120 | 62 | 250 | 240 | 240 | Φ9 | 178 | 2-M12 | |
| HS13-1500 | 2 poles | 310 | 480 | 242 | 130 | 80 | 250 | 260 | 240 | Φ11 | 190 | 4-M12 |
| 3 poles | 370 | 480 | 242 | 130 | 80 | 250 | 130 | 240 | Φ11 | 190 | 4-M12 | |
| 4 poles | 500 | 480 | 242 | 130 | 80 | 250 | 260 | 240 | Φ11 | 190 | 4-M12 | |
| HS13-2000/4 | 680 | 480 | 220 | 180 | 100 | 360 | 240 | |||||
HD14 series single throw switch appearance and installation dimensions

| Model | External dimensions | Installation dimensions | |||||||||||
| A | B | C | C1 | D | E | a | b | φc | H | K | M | ||
| HD14-100 | 2 poles | 200 | 190 | 80 | 160 | 80 | 78 | 160 | 160 | Φ7 | 90 | 45 | M8 |
| 3 poles | 280 | 190 | 80 | 160 | 80 | 78 | 80 | 160 | Φ7 | 90 | 45 | M8 | |
| 4 poles | 360 | 190 | 80 | 160 | 80 | 78 | 160 | 160 | Φ7 | 90 | 45 | M8 | |
| HD14-200 | 2 poles | 200 | 190 | 80 | 160 | 80 | 78 | 160 | 160 | Φ7 | 90 | 45 | M8 |
| 3 poles | 280 | 190 | 80 | 160 | 80 | 78 | 80 | 160 | Φ7 | 90 | 45 | M8 | |
| 4 poles | 360 | 190 | 80 | 160 | 80 | 78 | 160 | 160 | Φ7 | 90 | 45 | M8 | |
| HD14-400 | 2 poles | 220 | 205 | 92 | 180 | 90 | 88 | 180 | 160 | Φ7 | 88 | 50 | M12 |
| 3 poles | 310 | 205 | 92 | 180 | 90 | 88 | 90 | 160 | Φ7 | 88 | 50 | M12 | |
| 4 poles | 400 | 205 | 92 | 180 | 90 | 88 | 180 | 160 | Φ7 | 88 | 50 | M12 | |
| HD14-600 | 2 poles | 250 | 300 | 100 | 188 | 100 | 94 | 200 | 160 | Φ9 | 88 | 45 | M16 |
| 3 poles | 330 | 300 | 100 | 188 | 100 | 94 | 100 | 160 | Φ9 | 88 | 45 | M16 | |
| 4 poles | 430 | 300 | 100 | 188 | 100 | 94 | 200 | 160 | Φ9 | 88 | 45 | M16 | |
| HD14-1000 | 2 poles | 290 | 315 | 116 | 226 | 120 | 105 | 240 | 160 | Φ9 | 85 | 42 | 2-M12 |
| 3 poles | 400 | 315 | 116 | 226 | 120 | 105 | 120 | 160 | Φ9 | 85 | 42 | 2-M12 | |
| 4 poles | 520 | 315 | 116 | 226 | 120 | 105 | 240 | 160 | Φ9 | 85 | 42 | 2-M12 | |
| HD14-1500 | 2 poles | 310 | 355 | 125 | 238 | 130 | 114 | 260 | 160 | Φ11 | 85 | 42 | 4-M12 |
| 3 poles | 440 | 355 | 125 | 238 | 130 | 114 | 130 | 160 | Φ11 | 85 | 42 | 4-M12 | |
| 4 poles | 570 | 355 | 125 | 238 | 130 | 114 | 260 | 160 | Φ11 | 85 | 42 | 4-M12 | |
HS14 series double throw switch appearance and installation dimensions

| Model | External dimensions | Installation dimensions | ||||||||||
| A | B | C | D | E | a | b | φc | H | K | M | ||
| HS14-100 | 2 poles | 200 | 270 | 155 | 80 | 76 | 160 | 240 | Φ7 | 92 | 195 | M8 |
| 3 poles | 280 | 270 | 155 | 80 | 76 | 80 | 240 | Φ7 | 92 | 195 | M8 | |
| 4 poles | 360 | 270 | 155 | 80 | 76 | 160 | 240 | Φ7 | 92 | 195 | M8 | |
| HS14-200 | 2 poles | 200 | 270 | 155 | 80 | 76 | 160 | 240 | Φ7 | 92 | 195 | M8 |
| 3 poles | 280 | 270 | 155 | 80 | 76 | 80 | 240 | Φ7 | 92 | 195 | M8 | |
| 4 poles | 360 | 270 | 155 | 80 | 76 | 160 | 240 | Φ7 | 92 | 195 | M8 | |
| HS14-400 | 2 poles | 220 | 300 | 184 | 90 | 88 | 180 | 240 | Φ7 | 88 | 208 | M12 |
| 3 poles | 310 | 300 | 184 | 90 | 88 | 90 | 240 | Φ7 | 88 | 208 | M12 | |
| 4 poles | 400 | 300 | 184 | 90 | 88 | 180 | 240 | Φ7 | 88 | 208 | M12 | |
| HS14-600 | 2 poles | 250 | 400 | 190 | 100 | 95 | 200 | 240 | Φ9 | 88 | 205 | M16 |
| 3 poles | 330 | 400 | 190 | 100 | 95 | 100 | 240 | Φ9 | 88 | 205 | M16 | |
| 4 poles | 430 | 400 | 190 | 100 | 95 | 200 | 240 | Φ9 | 88 | 205 | M16 | |
| HS14-1000 | 2 poles | 290 | 435 | 220 | 120 | 105 | 240 | 240 | Φ9 | 85 | 214 | 2-M12 |
| 3 poles | 400 | 435 | 220 | 120 | 105 | 120 | 240 | Φ9 | 85 | 214 | 2-M12 | |
| 4 poles | 520 | 435 | 220 | 120 | 105 | 240 | 240 | Φ9 | 85 | 214 | 2-M12 | |
| HS14-1500 | 2 poles | 310 | 480 | 242 | 130 | 120 | 260 | 260 | Φ11 | 85 | 226 | 4-M12 |
| 3 poles | 440 | 480 | 242 | 130 | 120 | 130 | 260 | Φ11 | 85 | 226 | 4-M12 | |
| 4 poles | 570 | 480 | 242 | 130 | 120 | 260 | 260 | Φ11 | 85 | 226 | 4-M12 | |
GET A QUOTE